Märklin · 3034 Elektrische Lokomotive BR 141 DB

3034

3034, Variante 1, 1960 – 1968

3034, Variante 2, 1960 - 1968

3034, Variante 2, 1963

3034-Dach_falsch_herum

3034, Variante 2, 1963

3034-Dach_falsch_herum-Detail

Variante 2 – Detail

3034, Variante 4, 1976

3034, Variante 5, 1977 – 1979

3034, Variante 7, 1991 – 1997

3034, Variante 8, 1993

Länge 175 mm

siehe 3037, Primex 3033, Primex 3199, Hobby 3034

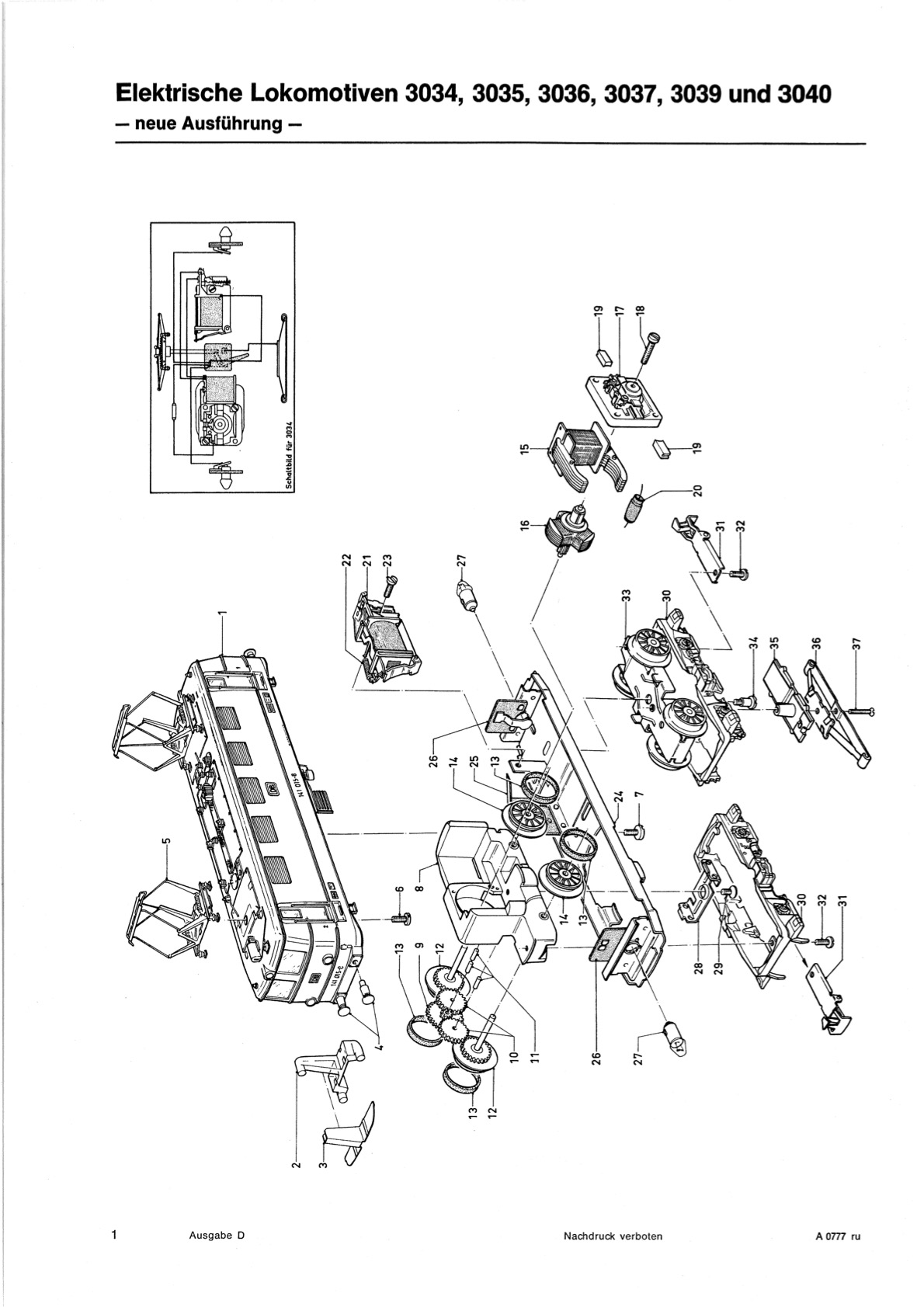
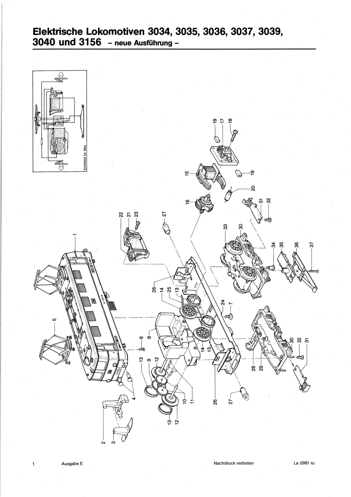
Modell der Baureihe E41 / 141 der DB, Aufbau Zinkdruckguss königsblau halbmatt, Fahrgestell brüniertes Blech, Drehgestellblenden Kunststoff schwarz, Schürze schwarz lackiert, ein Zierstreifen und Aufschriften erhaben, silberfarbig hervorgehoben, Betriebsnummer E 41024, Dach silberfarbig mit rot lackierten, angegossenen Dachleitungen, zweimal drei Stirnlampen (Lichtleiter), Fenster mit Cellon hinterlegt, Umschalthebel für Oberleitung oder Mittelleiter, Achsfolge Bo’Bo’, ein Drehgestell angetrieben mit Haftreifen, Motor mit Flachkollektor, Radkörper Speichenräder vernickelt, nicht lackiert, Schleifschuh Typ 6.4.1 oder Schleifschuh Typ 6.7.1, Kupplungen Typ 19.1, Pantograph Typ 8.1.

Variante

Bauzeit

Beschreibung

.1

1960 – 1968

wie oben beschrieben.

.2

1963

wie .1, Gussform falsch montiert: Hauptschalter auf dem Dach auf der Seite des Führerstandes „2″ (bei allen anderen Varianten am Führerstand „1″).

.3

1969 – 1975

wie .1, Aufschriften weiß gedruckt, Betriebsnummer 141 005-9, zusätzlicher Handschalthebel für Fahrtrichtungswechsel entfällt.

.4

1976

wie .2, Aufbau ozeanblau / beige, Betriebsnummer 141 015-8.

.5

1977 – 1979

wie .3, Fenster aus Kunststoff und eingesetzt, Seitenfenster mit silbernem Rahmen, Pantograph Typ 8.2, ab 1979: Pantograph Typ 8.3.

.6

1980

(3934) Teilesatz mit Stückliste wie .4, Motor mit Trommelkollektor.

.7

1991 – 1997

Hobby 3034: wie .5, Doppellampen, Betriebsnummer 141 278-2, Bw Bebra

.8

1993

wie .7, hellgrau / orange Lackierung, S-Bahn Ausführung. Betriebsnummer 141 437-4, DELTA Digital Ausführung, Kurzkupplung.

Nur in Zugpackung 2849

 

Verschleissteile

Haftreifen Schleifer Bügel Glühlampe
7151, 7153 7185, 7164 21 500, 7218 60 015
Bürsten Fahrtrichtungsschalter Kupplung vorn Kupplung hinten
60 030 21 474 21 484 21 484

 

Hinzufügen