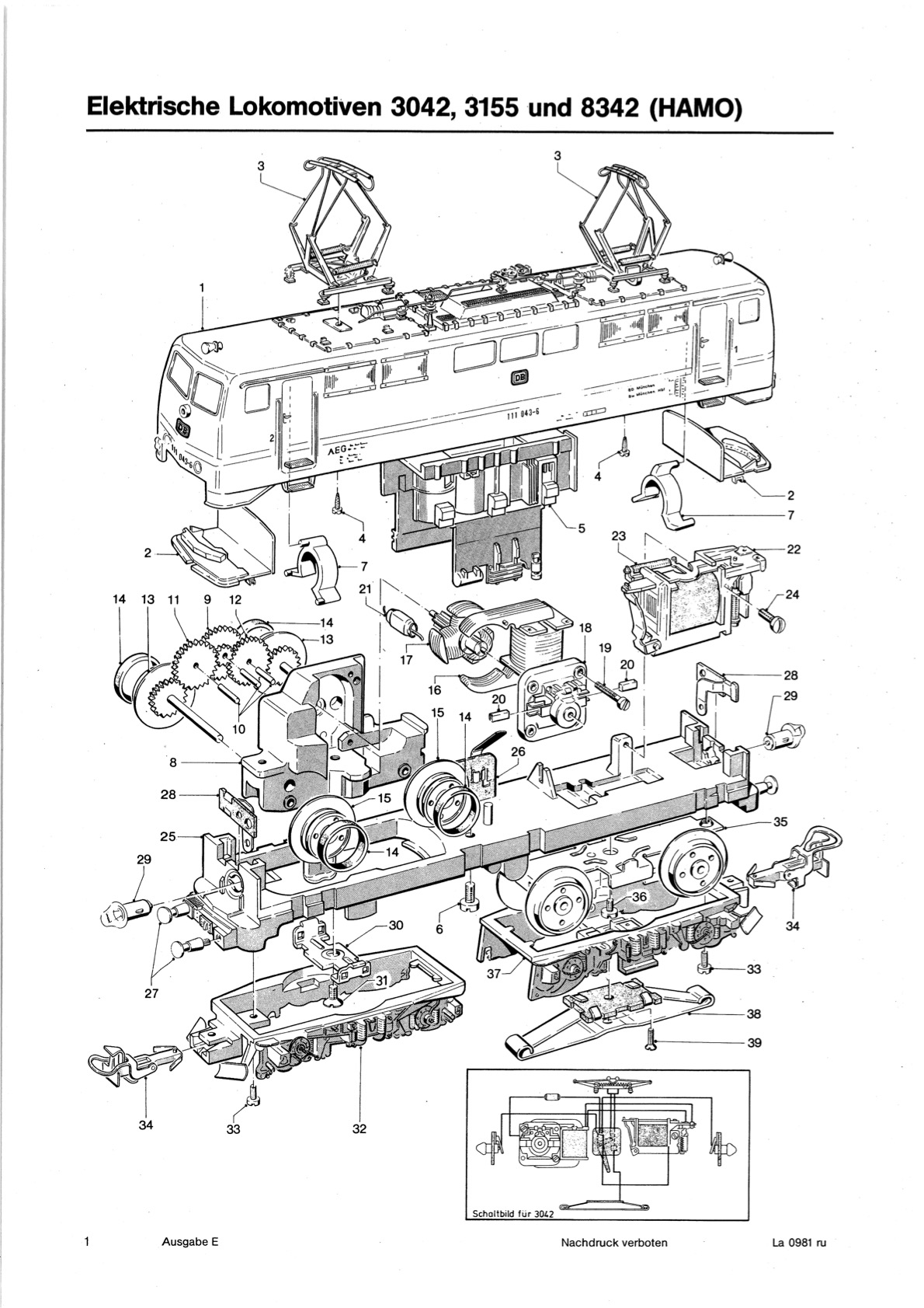
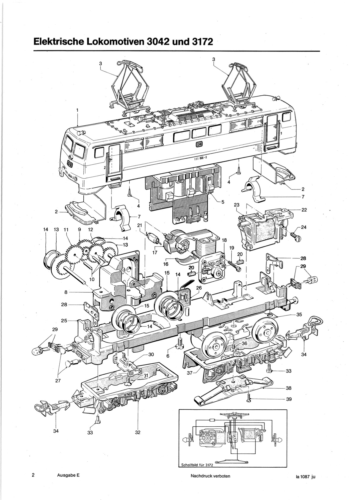
Märklin · 3042 Elektrische Lokomotive BR 111 DB
Siehe auch 3155, 3172, 3342, 3355, 3360, 3642, HAMO 8342
Länge: 191 mm
Modell der BR 111 der DB, Aufbau Kunststoff beige / ozeanblau lackiert mit schablonierten silberfarbigen Lüfterblenden, im unteren Bereich des Rahmens eine beige gedruckte Zierlinie, Fahrgestell Zinkdruckguss, dunkelgrau lackiert, Dach mit silbergrauen Segmenten, aufgesetzte braunrote Dachleitungen sowie silberfarbige Makrofone, untere Aufstiegstreppe zum Führerstand rechts am Aufbau, Aufschriften ozeanblau und beige gedruckt, Betriebsnummer 111 043-6, Bw München Hbf, nachgebildete Führerhaus- und Einrichtung des Maschinenraumes, je drei Stirnlampen, Umschalthebel für Oberleitung oder Mittelleiter, Motor mit Trommelkollektor, Achsfolge Bo’Bo’, Drehgestellblenden Kunststoff anthrazitfarbig durchgefärbt, Achsen des hinteren Drehgestells durch Stirnräder angetrieben, beide Radsätze mit Haftreifen, Vollräder, Radkörper rot lackiert, Schleifschuh Typ 6.7.1, Kupplungen Typ 8.3, Pantograph Typ 8.2, ab 1979: Pantograph Typ 8.3.
|
Variante |
Bauzeit |
Beschreibung |
|---|---|---|
|
.1 |
1977 – 1986 |
(8342) wie oben beschrieben. |
|
.2 |
1986 – 1987 |
wie .1, untere Aufstiegstreppe zum Führerhaus rechts geändert, beide unteren Stufen vorbildgerecht am Drehgestell. |
|
.3 |
1988 – 1991 |
wie .2, Pufferbohle verfeinert (Kunststoff), mit seitlichen Aufstiegsleitern. |
|
.4 |
1983 – 1986 |
wie .1, geänderte Betriebsnummer 111 105-3, Pantograph Typ 11.1. |
|
.5 |
1987 – 1988 |
wie .2, geänderte Betriebsnummer 111 105-3, Pantograph Typ 11.1. |
Hinweis: .5 und .6 nur in Zugpackung 2856 erhältlich
Verschleissteile
| Haftreifen | Schleifer | Bügel | Glühlampe |
|---|---|---|---|
| 7153 | 7164 | 21 500 | 60 015 |
| Bürsten | Fahrtrichtungsschalter | Kupplung vorn | Kupplung hinten |
|---|---|---|---|
| 60 146 | 20 824 | 70 156 | 70 156 |






















